2021-04-12
現代社會,焊機越來越普遍化,不管是從家用焊機還是工業用途焊機,都會與焊槍相匹配進行使用。在焊接過程中,焊機作為一個能量提供者,焊槍作為焊接的執行者,通過電焊工操縱完成焊接的整個過程。不管是焊接工直接手動操作還是通過程序是機械手進行操作,都會需要隨時變化方向或者焊接區域,這使得做這些準備工作的間隙中,電焊機往往處于空載運行狀態。
現目前市場上大多使用雙向晶閘管的交流式電焊機。使用雙向晶閘管電源開關的電焊機電路有著以下特點:簡單經濟,方便維修且運行過程中有較高的可靠性。 原因在于雙向晶閘管在正反電壓下都能正常的導通,并且門極在正負脈沖下都可以進行觸發。
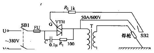
下圖為電焊機控制電路圖。

整個電路由SB1(開關),FU(熔斷器),VTH(雙向晶閘管),和T(電焊機變壓器)為主要電路,由G(限流電阻)和SB2(微動開關)組成。當SB1閉合,電源接通,但是VTH未接通。只有當SB2閉合,同時在VTH機上正方向電壓時,G處就會由正反向交流信號,使前端的主要電路接通。當焊接過程中出現停頓或者休息時,SB2微動開關處斷開,主要電路交流電壓為零,VTH處于關閉狀態,此時切斷電源。
以上為焊機和焊槍的使用電路動態情況。在這個過程中,SB2處微動開關需要長期處于常開狀態,真正需要進行導通電路進行焊接的時候,按下微動開關,是原來的常開電路閉合,從而完成焊接。
點擊咨詢
電話咨詢
QQ咨詢
微信咨詢
回到頂部